Kirchhoff's laws (meshes and nodes): definition with examples

Kirchhoff's laws (meshes and nodes): definition with examples

Electrical circuits are an essential part of our modern life. From the simplest electronic devices to the most complex power systems, all depend on the correct understanding and analysis of electrical circuits.

In the 19th century, Gustav Kirchhoff, a German physicist, formulated the laws that bear his name and that have become the basic foundations for circuit analysis: Kirchhoff's laws.

Kirchhoff's current law (node ​​law)

Kirchhoff's current law, also known as the nodal law, states that at any node in an electrical circuit, the algebraic sum of the currents entering and leaving that node is zero. In other words, the current flowing into a node is equal to the current leaving that same node.

Explanation

A node is a connection point between two or more elements in a circuit. Since electric charge does not accumulate at a node (under steady state conditions), the amount of current entering must equal the amount leaving.

Mathematically, it is expressed as:

\[ \sum I = 0 \]

Or, equalizing the currents entering a node to those leaving:

\[ \sum I_{\text{entrada}} = \sum I_{\text{salida}} \]

If we consider a node with several incoming currents \( I_1 \),\( I_2 \),\( I_3 \) and several outgoing currents \( I_4 ​​\), \( I_5 \), where the incoming currents are taken as positive and the outgoing currents as negative, the equation is written like this:

\[ I_1+I_2 + I_3 − I_4−I_5=0 \]

the rearranging:

\[ I_1+I_2 + I_3 = I_4 + I_5 \]

This means that the sum of the currents entering is equal to the sum of the currents leaving.

Calculation example

Suppose a node with three streams:

  • \( I_1 = 5A \) entering
  • \( I_2 = 3A \) entry
  • \( I_3 \) is an outgoing current but we do not know its value.

Applying the current law we can know the value of \( I_3 \):

\[ I_1 + I_2 = I_3 \]

\[ 5A+3A=I3 \]

\[ I_3​=8A \]

This indicates that the current leaving the node is 8 amps.

Kirchhoff's stress law (mesh law)

The algebraic sum of the potential differences in a closed loop is equal to zero.

Mathematical explanation

A loop is any closed path within a circuit. Since electrical energy cannot be created or destroyed within a loop, the energy gained (by voltage sources) must equal the energy lost (by voltage drops across resistors and other components).

Mathematically, it is expressed as:

\[ \sum V = 0 \]

If in a loop we have a voltage source \( V_1 \)​ and several voltage drops \( V_2 \)​, \( V_3 \)​, \( V_4 \)​​, the equation is written like this:

\[ V_1 - V_2 - V_3 - V_4 = 0 \]

the rearranging:

\[ V_1 = V_2 + V_3 + V_4 \]

This means that the sum of the voltages supplied by the sources is equal to the sum of the voltage drops across the circuit components.

Numerical example

Suppose a series circuit with:

  • A battery of \( V_1 = 12V \)
  • A resistor with voltage drop \( V_2 = 5V \)
  • Another resistor with voltage drop \( V_3 = 7V \)

Applying the law of tensions:

\[ V_1 - V_2 - V_3 = 0 \]
\[ 12V−5V−7V=0 \]

This confirms that the power provided by the 12V source has been distributed between the two resistors.

Application of Kirchhoff's laws

Kirchhoff's laws are applicable to any electrical circuit, whether direct current (DC) or alternating current (AC). These laws are especially useful for analyzing complex circuits, where there are multiple sources of current and voltage, as well as a variety of elements such as resistors, capacitors, and inductors.

By applying Kirchhoff's laws, it is possible to establish a system of equations that can be solved to determine the currents and voltages in each component of the circuit. This allows the study of the overall behavior of the electrical circuit and to perform precise calculations to design efficient and reliable circuits.

Below are some examples of real applications:

1. Solve complex circuits

Kirchhoff's laws allow us to analyze and solve electrical circuits that contain multiple components, current and voltage sources, and complex connections. By applying Kirchhoff's laws, it is possible to establish equations that relate currents and voltages in each element of the circuit, which allows us to determine their behavior and calculate the current and voltage values ​​in different parts of the circuit.

2. Design and optimize circuits

By using Kirchhoff's laws, electrical engineers can design and optimize circuits to meet specific requirements. These laws provide an understanding of how current and voltage are distributed in a circuit, helping to identify critical points, calculate the necessary resistance, and ensure proper current flow.

3. Analysis of electrical networks

Kirchhoff's laws are also applied in the analysis of larger electrical networks, such as power distribution systems or transmission networks. These laws allow for the assessment and balancing of current flow in different branches of the network, the identification of potential overload problems, and the determination of the best configuration for efficient distribution of electrical power.

Examples of Kirchhoff's laws

Here are some examples that illustrate the application of Kirchhoff's laws:

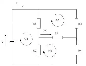
Example 1: Kirchhoff's current law (Node law)

Suppose we have a circuit with three resistors connected in parallel, powered by a current source. We want to determine the current in each resistor.

According to Kirchhoff's current law, the algebraic sum of the currents entering and leaving a node is equal to zero. In this case, the upper node is taken as a reference and the total current entering that node is I. Therefore, we can establish the following equation:

\[ I = I1 + I2 + I3 \]

Where \( I_1 \), \( I_2 \) and \( I_3 \) are the currents in each resistor. By solving this equation, the values ​​of the currents in each resistor can be found.

Example 2: Kirchhoff's stress law (Mesh law)

Suppose we have a circuit with three resistors in series and a voltage source. We want to determine the voltage across each resistor.

According to Kirchhoff's voltage law, the algebraic sum of the potential differences (voltages) in any closed loop of the circuit is equal to zero. In this case, we can establish two equations using the mesh law:

  • For the upper loop: \( V = V_1 + V_2 \)

  • For the lower loop: \( V = -V_2 - V_3 \)

Where \( V_1 \), \( V_2 \) and \( V_3 \) are the voltages across each resistor. By solving these simultaneous equations, we can find the values ​​of the voltages across each resistor.

Example 3: Kirchhoff's stress law with resistance

Consider a loop with a voltage source and two resistors:

  • \( V_1 = 12V \)
  • \(R_1 = 4 \, \Omega \)
  • \(R_2 = 2 \, \Omega \)
  • \(I = 2A \)

Calculating voltage drops

\[ V_1 = I \times R_1 = 2 \times 4 = 8V \]
\[ V_2 = I \times R_2 = 2 \times 2 = 4V \]

Law of tensions

\[ V_1 - V_2 - V_3 = 0 \]

\[ 12−8−4=0 \]

Kirchhoff's stress law is fulfilled.

Author:
Publication Date: May 18, 2023
Last Revision: March 3, 2025